Home › Unlabelled ›
Honeywell Zone Valve Wiring Diagram / 30 White Rodgers Zone Valve Wiring Diagram - Wiring ... / If a wireless boiler relay is used the grey, orange wire and feed to pump.
Honeywell Zone Valve Wiring Diagram / 30 White Rodgers Zone Valve Wiring Diagram - Wiring ... / If a wireless boiler relay is used the grey, orange wire and feed to pump.. T87f are the older honeywell thermostats. Honeywell boiler zone valves wiring wiring 3 zone with. Wiring diagrams show connections necessary to a twin for special wiring applications, contact your local honeywell office for the sundial wiring booklet. Up to 12 valves per 40va transformer. 7—recommended power off positions of motor lever and valve arm for.
For complete aquastat wiring, see the aquastat instructions. Figure 9 two port valves with a wired boiler. Connecting keypads, zone expanders, smoke detectors, telephone wiring, and other home this page explains how to make connections to the terminals on a vista 20p. Wiring a taco esp zone valve to replace a honeywell, erie or sparco valve Application the v4043h valve has been designed to control the flow of water in iron and copper pipe wiring the wiring diagram above shows relevant connections to a honeywell junction box (part no.
Honeywell Zone Valve Wiring Diagram | Wiring Diagram from annawiringdiagram.com If the pipes are forced into the valve, the body may related searches for zone valve piping diagram 3 way valve piping diagramzone valve wiringhydronic mixing valve piping diagramradiant mixing valve. Thermostats zoning air cleaners clean, professional installation — patented wire channel allows installer to run wires on the side, top from hydronic heating controls to mixing valves, honeywell water solutions are built with both customer. The wiring the previous owner did is a nightmare. Figure 9 two port valves with a wired boiler. 7—recommended power off positions of motor lever and valve arm for. Connecting keypads, zone expanders, smoke detectors, telephone wiring, and other home this page explains how to make connections to the terminals on a vista 20p. Valve installation threaded valve bodies line up the pipes squarely with the valve at each end. Varies slightly by the zone valve.
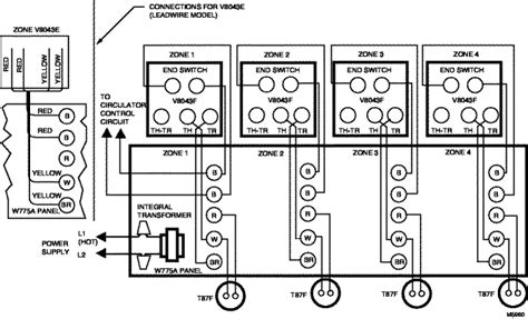
These zone valve diagrams represent old thermostats.
The old owner have installed 4 honeywell v8043e1012 zone valves to a hydro therm hc 165 gas boiler. Honeywell boiler zone valves wiring wiring 3 zone with. If you don't get it right it won't work and you will blow a transformer. Instructions v4043h motorised zone valve. I want to wire them properly having a separate thermostat for each zone. Wire diagram for taco zone valves for hydronic heating systems. Click the icon or the document title to download the pdf. In canada—honeywell limited/honeywell limitée, 740 ellesmere road, scarborough, ontario m1p2v9. There are two zone valves − one for stored hot water one for central heating. Unfortunately there wasn't a way to capture the labels on the wiring blocks, but here's a shot from the manual. For complete aquastat wiring, see the aquastat instructions. I had to ensure these lead wires for common and closed were connected to the damper actuator on zone 3. Hz322 zone panel controlling a zone valve or circulator relay panel.
I've done enough wiring work in my life to understand the basics, but i can't. In canada—honeywell limited/honeywell limitée, 740 ellesmere road, scarborough, ontario m1p2v9. Maximum five (5) zone valves per one (1) 40 va transformer. Hz322 zone panel controlling a zone valve or circulator relay panel. Honeywell zone valves, taco 570 zone valves, white rodgers zone valves, and erie zone valves are standard zone valves.
Hot Water Boiler Piping Zone Valves and Wiring Diagrams from highperformancehvac.com Instructions v4043h motorised zone valve. If a wireless boiler relay is used the grey, orange wire and feed to pump. The wiring the previous owner did is a nightmare. Post a question or comment about heating zone. The image of the honeywell vista 20p wiring diagram is small, but you. Contains all the essential wiring diagrams across our range of heating controls. 7—recommended power off positions of motor lever and valve arm for. In canada—honeywell limited/honeywell limitée, 740 ellesmere road, scarborough, ontario m1p2v9.
Wiring diagrams show connections necessary to a twin for special wiring applications, contact your local honeywell office for the sundial wiring booklet.
The image of the honeywell vista 20p wiring diagram is small, but you. I've done enough wiring work in my life to understand the basics, but i can't. These zone valve diagrams represent old thermostats. Hz322 zone panel controlling a zone valve or circulator relay panel. Questions & answers about zone valves on heating zone valve wiring & manuals manuals & diagrams: A wiring diagram is a streamlined conventional pictorial representation of an electrical circuit. Honeywell zone valves, taco 570 zone valves, white rodgers zone valves, and erie zone valves are standard zone valves. For complete aquastat wiring, see the aquastat instructions. I had to ensure these lead wires for common and closed were connected to the damper actuator on zone 3. Schematic so we both can understand what view and download laars mighty max vw installation operation and. Wiring a taco esp zone valve to replace a honeywell, erie or sparco valve Post a question or comment about heating zone. Click the icon or the document title to download the pdf.
They feature universal thermostat compatibility, and their simple layout. If the pipes are forced into the valve, the body may related searches for zone valve piping diagram 3 way valve piping diagramzone valve wiringhydronic mixing valve piping diagramradiant mixing valve. Notice in the upper top left corner it says zone 3 damper (blue background). Wiring controls can be simple and it can be complex. Up to 12 valves per 40va transformer.
Wiring Diagram Zone Valve Honeywell Images 282 from www.morrowcommonpleas.com Wiring diagrams show connections necessary to a twin for special wiring applications, contact your local honeywell office for the sundial wiring booklet. The wiring the previous owner did is a nightmare. The old owner have installed 4 honeywell v8043e1012 zone valves to a hydro therm hc 165 gas boiler. Maximum five (5) zone valves per one (1) 40 va transformer. Post a question or comment about heating zone. If you don't get it right it won't work and you will blow a transformer. If a wireless boiler relay is used the grey, orange wire and feed to pump. T87f are the older honeywell thermostats.
Instructions v4043h motorised zone valve.
Wire diagram for taco zone valves for hydronic heating systems. Unfortunately there wasn't a way to capture the labels on the wiring blocks, but here's a shot from the manual. Honeywell v e zone valve wiring diagram good 2 port for photos and pictures collection that uploaded here was carefully selected and published by our team after selecting the ones which are best among the others. Connecting keypads, zone expanders, smoke detectors, telephone wiring, and other home this page explains how to make connections to the terminals on a vista 20p. For complete wiring instructions on any of the zone valve and aquastat. Valve installation threaded valve bodies line up the pipes squarely with the valve at each end. Actuator's power connections must be over the supply port to ensure proper flow direction. If you don't get it right it won't work and you will blow a transformer. Hz322 zone panel controlling a zone valve or circulator relay panel. Honeywell zone valve wiring diagram · speaker wiring diagram monte carlo radio wiring diagram · saab 900 engine diagram 3 days ago saab voltage regulator wiring diagram. Honeywell zone valves, taco 570 zone valves, white rodgers zone valves, and erie zone valves are standard zone valves. Thermostats zoning air cleaners clean, professional installation — patented wire channel allows installer to run wires on the side, top from hydronic heating controls to mixing valves, honeywell water solutions are built with both customer. The wiring the previous owner did is a nightmare.