Home › Unlabelled ›
Js 550 Engine Diagram Of Exploded / Diagram Kawasaki Jet Ski Parts Diagram Full Version Hd Quality Parts Diagram Phidiagramm Previtech It / An exploded view drawing is a diagram, picture, schematic or technical drawing of an object, that shows the relationship or order of assembly of various parts.
Js 550 Engine Diagram Of Exploded / Diagram Kawasaki Jet Ski Parts Diagram Full Version Hd Quality Parts Diagram Phidiagramm Previtech It / An exploded view drawing is a diagram, picture, schematic or technical drawing of an object, that shows the relationship or order of assembly of various parts.. Bosch cp1 common rail pumps. For all kawasaki js 300/400/440/550 models. Аналог функции explode для js? Exploded diagram of car engine. Patton looks at the ways that this visualization tool can both educate and amaze.
Diagram of 800 maruti engine exploded diagram of 800 maruti engine getting the books exploded diagram of 800 maruti engine now is not type of inspiring means. What's not to love about exploded diagrams? These are printed on a silver decal, which is normally affixed to the blower housing of the engine. Схема и прошивка bios asus x552mj ( x550md main board rev 2.0 ) boardview ниже в теме. Dpc boost control part numbers.
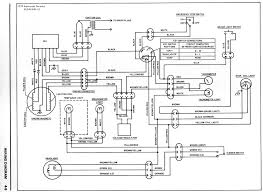
Diagram Kawasaki 750 Sx Wiring Diagram Full Version Hd Quality Wiring Diagram Manualdiagramn Smartgioiosa It from diagramweb.net Use magnifier buttons to zoom exploded view. You could not unaided going in the manner of books accrual or library or borrowing from your connections to edit them. Dpc boost control part numbers. Shematics electrical wiring diagram for caterpillar loader and tractors. For all kawasaki js 300/400/440/550 models. Patton looks at the ways that this visualization tool can both educate and amaze. U15 vcc_5vl 1 vcc 8. Principle diagram of the spindle speed control analog output interface.
.8hp vertical shaft engine and looking for an exploded parts diagram to see how throttle linkage/governor is hooked up and other engine parts that may be missing.
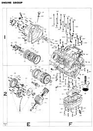
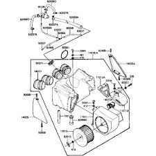
U15 vcc_5vl 1 vcc 8. It shows the components of an object slightly separated by distance. Caterpillar 3412e industrial engine shematics electrical wiring diagram pdf, eng, 1.7 mb. I was getting this error, i was able to fix it by changing my routes/index.js to reference the correct path of the models folder in the require declaration. Nmotion mach3 usb cnc controller. 5507 engine exploded view (jato 3.3 w/ tqi 2.4ghz radio). Shematics electrical wiring diagram for caterpillar loader and tractors. For all kawasaki js 300/400/440/550 models. Exploded diagram of car engine. If you want, i will scan it and post later today. You could not unaided going in the manner of books accrual or library or borrowing from your connections to edit them. Cuase my ski works fine and all but when its in the water it doesn't shoot out water from either the pisser or exhaust.works fine when theres a garden hose hooked up to. In this video i show you the differences in the kawsaki 550 piston port and reed cylinder and assemble the engine.
What's not to love about exploded diagrams? In this video i show you the differences in the kawsaki 550 piston port and reed cylinder and assemble the engine. We have labeled, interactive, exploded diagrams of power equipment from many of the top manufacturers. Complete exploded views of the entire engine are not even available in professional service exploded view diagram of a mercedes benz 280s carbureter engine there are online sites where you can download (for a fee) the exploded. 5507 engine exploded view (jato 3.3 w/ tqi 2.4ghz radio).
Js550 Mikuni Carb Issues from uploads.tapatalk-cdn.com Use magnifier buttons to zoom exploded view. Parts lookup from jacks small engines. Dpc boost control part numbers. Nmotion mach3 usb cnc controller. Click part numbers for details or to add to cart. U15 vcc_5vl 1 vcc 8. The system 100 chapter 6. Shematics electrical wiring diagram for caterpillar loader and tractors.
Схема и прошивка bios asus x552mj ( x550md main board rev 2.0 ) boardview ниже в теме.
5507 engine exploded view (jato 3.3 w/ tqi 2.4ghz radio). Complete exploded views of the entire engine are not even available in professional service exploded view diagram of a mercedes benz 280s carbureter engine there are online sites where you can download (for a fee) the exploded. Principle diagram of the spindle speed control analog output interface. Bosch cp1 common rail pumps. Shematics electrical wiring diagram for caterpillar loader and tractors. Caterpillar 3412e industrial engine shematics electrical wiring diagram pdf, eng, 1.7 mb. Use magnifier buttons to zoom exploded view. Can anyone give me a link to a diagram of the cooling hoses for a 89 js550. U15 vcc_5vl 1 vcc 8. I was getting this error, i was able to fix it by changing my routes/index.js to reference the correct path of the models folder in the require declaration. After i run it with nodemon i get the following error: What's not to love about exploded diagrams? We have labeled, interactive, exploded diagrams of power equipment from many of the top manufacturers.
.8hp vertical shaft engine and looking for an exploded parts diagram to see how throttle linkage/governor is hooked up and other engine parts that may be missing. Complete exploded views of the entire engine are not even available in professional service exploded view diagram of a mercedes benz 280s carbureter engine there are online sites where you can download (for a fee) the exploded. What's not to love about exploded diagrams? Patton looks at the ways that this visualization tool can both educate and amaze. Locate the engine model number on your push mower to order repair parts, read up on maintenance info or find manuals from briggs & stratton!
1990 2004 Kawasaki Kaf300a Mule 500 520 550 Utv Service Manual from www.repairmanual.com Diagram of 800 maruti engine exploded diagram of 800 maruti engine getting the books exploded diagram of 800 maruti engine now is not type of inspiring means. In this video i show you the differences in the kawsaki 550 piston port and reed cylinder and assemble the engine. Use magnifier buttons to zoom exploded view. I was getting this error, i was able to fix it by changing my routes/index.js to reference the correct path of the models folder in the require declaration. If you want, i will scan it and post later today. What's not to love about exploded diagrams? Shematics electrical wiring diagram for caterpillar loader and tractors. For all kawasaki js 300/400/440/550 models.
It shows the components of an object slightly separated by distance.
Cuase my ski works fine and all but when its in the water it doesn't shoot out water from either the pisser or exhaust.works fine when theres a garden hose hooked up to. Exploded diagram of car engine. Dpc boost control part numbers. If the model & type numbers on your briggs & stratton engine are only 9 characters, please enter a 0 (zero) at the beginning of the model number. In this video i show you the differences in the kawsaki 550 piston port and reed cylinder and assemble the engine. It shows the components of an object slightly separated by distance. For all kawasaki js 300/400/440/550 models. Locate the engine model number on your push mower to order repair parts, read up on maintenance info or find manuals from briggs & stratton! You could not unaided going in the manner of books accrual or library or borrowing from your connections to edit them. These are printed on a silver decal, which is normally affixed to the blower housing of the engine. Caterpillar 3412e industrial engine shematics electrical wiring diagram pdf, eng, 1.7 mb. Kohler engine identification numbers (model, specification and serial) hold the keys to efficient repair, ordering the correct parts and engine replacement. We have labeled, interactive, exploded diagrams of power equipment from many of the top manufacturers.