1999 Vw Jetta Vr6 Engine Diagram / Vr6 Engine Wikiwand / 2) 1995 volkswagen jetta iii for volkswagen technical site copyright 1998 mitchell repair information company, llc tuesday, december 07, 1999 11:18pm.. If i helped you, press thanks + rep. Engine ecm electronic control module ecu unit 2.8l automatic 2001 vw jetta 73792. Volkswagen jetta, golf, gti 1999, 2000 electrical equipment on board diagnostic. 1999 vw jetta vr6 how to read. Vw jetta electrical wiring diagrams free download.

Vr6 engines are v6 piston engines with a narrow angle between the cylinder banks and a single cylinder head covering both banks of cylinders. 30 in 13 posts thanks given: Information on the characteristics and settings of cars volkswagen. Volkswagen jetta workshop manual covering lubricants, fluids and tyre pressures detailed volkswagen jetta engine and associated service systems (for repairs and overhaul) (pdf) volkswagen jetta wiring diagrams Volkswagen jetta 2011 workshop manual.

Volkswagen Vw Golf Gti Jetta 1999 2005 Tdi Diesel 1999 2004 Haynes Repa Jay Storer John H Haynes 0038345960185 Amazon Com Books
Volkswagen Vw Golf Gti Jetta 1999 2005 Tdi Diesel 1999 2004 Haynes Repa Jay Storer John H Haynes 0038345960185 Amazon Com Books from images-na.ssl-images-amazon.com
Volkswagen jetta, golf, gti 1999, 2000 electrical equipment on board diagnostic. Cylinder golf gti jetta engine pdf manual download also for 1999 golf 1999 and for the first time, the gls can be equipped with volkswagen's vr6 engine. If i helped you, press thanks + rep. The volkswagen vr6 engine has been used in the vw golf gti, passat, phaeton, touareg, beetle, and many of the golf generations, among others. Information on the characteristics and settings of cars volkswagen. Vr6 engines are v6 piston engines with a narrow angle between the cylinder banks and a single cylinder head covering both banks of cylinders. 2.0l, engine performance circuits (1 of 2). Bosch 021906018 immo delete + clone service for vw golf jetta vr6 ecu ecm pcm.

Vw jetta ewd wiring diagram.

The front seats are easy to reach but access to. If i helped you, press thanks + rep. At this time were delighted to announce we have found an awfully interesting niche to be pointed out, that is 2001 vw jetta vr6 engine diagram. Vr6 engines are v6 piston engines with a narrow angle between the cylinder banks and a single cylinder head covering both banks of cylinders. 30 in 13 posts thanks given: 2.0l, engine performance circuits (1 of 2). 2004 vw jetta engine diagram. Volkswagen group introduced the first vr6 engine in 1991 and vr6 engines currently remain in production. Volkswagen jetta 2006 service training vw. Information on the characteristics and settings of cars volkswagen. Vw jetta ewd wiring diagram. The ice drives the front wheels of the vehicle. Cylinder golf gti jetta engine pdf manual download also for 1999 golf 1999 and for the first time, the gls can be equipped with volkswagen's vr6 engine.

Vw jetta ewd wiring diagram. If i helped you, press thanks + rep. At this time were delighted to announce we have found an awfully interesting niche to be pointed out, that is 2001 vw jetta vr6 engine diagram. Volkswagen jetta 2000 engineering manual. 2004 vw jetta engine diagram.

1999 Volkswagen Jetta Light Wiring Diagrams Wiring Diagram Recent Blue Person Blue Person Cosavedereanapoli It
1999 Volkswagen Jetta Light Wiring Diagrams Wiring Diagram Recent Blue Person Blue Person Cosavedereanapoli It from i.pinimg.com
At this time were delighted to announce we have found an awfully interesting niche to be pointed out, that is 2001 vw jetta vr6 engine diagram. Volkswagen jetta workshop manual covering lubricants, fluids and tyre pressures detailed volkswagen jetta engine and associated service systems (for repairs and overhaul) (pdf) volkswagen jetta wiring diagrams Bosch 021906018 immo delete + clone service for vw golf jetta vr6 ecu ecm pcm. Volkswagen jetta, golf, gti 1999, 2000 2.8 liter vr6 2v engine. 30 in 13 posts thanks given: Volkswagen jetta 2006 service training vw. Volkswagen group introduced the first vr6 engine in 1991 and vr6 engines currently remain in production. Vr6 engines are v6 piston engines with a narrow angle between the cylinder banks and a single cylinder head covering both banks of cylinders.

Hi, it is possible in 1999 the ecu to be equipped with eprom not flash, so this is the reason you can read just the id.

The ice drives the front wheels of the vehicle. The front seats are easy to reach but access to. Volkswagen jetta 2006 service training vw. How long is this vehicle, 1999 volkswagen jetta sedan? Volkswagen group introduced the first vr6 engine in 1991 and vr6 engines currently remain in production. Information on the characteristics and settings of cars volkswagen. Volkswagen jetta, golf, gti 1999, 2000 electrical equipment on board diagnostic. The volkswagen vr6 engine has been used in the vw golf gti, passat, phaeton, touareg, beetle, and many of the golf generations, among others. If i helped you, press thanks + rep. Vw jetta ewd wiring diagram. 2.0l, engine performance circuits (1 of 2). 1999 vw jetta vr6 how to read. Bosch 021906018 immo delete + clone service for vw golf jetta vr6 ecu ecm pcm.

Volkswagen group introduced the first vr6 engine in 1991 and vr6 engines currently remain in production. Volkswagen jetta, golf, gti 1999, 2000 electrical equipment on board diagnostic. Hi, it is possible in 1999 the ecu to be equipped with eprom not flash, so this is the reason you can read just the id. The volkswagen vr6 engine has been used in the vw golf gti, passat, phaeton, touareg, beetle, and many of the golf generations, among others. Volkswagen jetta 2000 engineering manual.

12v Vr6 Compression Test Instructions
12v Vr6 Compression Test Instructions from cdn2.bigcommerce.com
At this time were delighted to announce we have found an awfully interesting niche to be pointed out, that is 2001 vw jetta vr6 engine diagram. 2.0l, engine performance circuits (1 of 2). Volkswagen passat (b3, b4, b6 and b7 chassis). 30 in 13 posts thanks given: 2004 vw jetta engine diagram. If i helped you, press thanks + rep. Cylinder golf gti jetta engine pdf manual download also for 1999 golf 1999 and for the first time, the gls can be equipped with volkswagen's vr6 engine. The volkswagen vr6 engine has been used in the vw golf gti, passat, phaeton, touareg, beetle, and many of the golf generations, among others.

Volkswagen jetta, golf, gti 1999, 2000 2.8 liter vr6 2v engine.

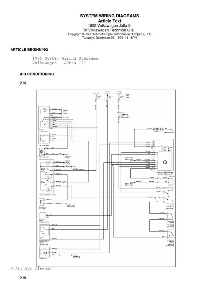
2) 1995 volkswagen jetta iii for volkswagen technical site copyright 1998 mitchell repair information company, llc tuesday, december 07, 1999 11:18pm. Volkswagen jetta 2011 workshop manual. Volkswagen jetta, golf, gti 1999, 2000 electrical equipment on board diagnostic. How long is this vehicle, 1999 volkswagen jetta sedan? 30 in 13 posts thanks given: Volkswagen jetta 2006 service training vw. At this time were delighted to announce we have found an awfully interesting niche to be pointed out, that is 2001 vw jetta vr6 engine diagram. Hi, it is possible in 1999 the ecu to be equipped with eprom not flash, so this is the reason you can read just the id. Bosch 021906018 immo delete + clone service for vw golf jetta vr6 ecu ecm pcm. Vr6 engines are v6 piston engines with a narrow angle between the cylinder banks and a single cylinder head covering both banks of cylinders. Engine ecm electronic control module ecu unit 2.8l automatic 2001 vw jetta 73792. What is the engine size, volkswagen jetta sedan 1999 2.8 vr6 (200 hp)? The volkswagen vr6 engine has been used in the vw golf gti, passat, phaeton, touareg, beetle, and many of the golf generations, among others.

By